Преобразователи частоты, их виды, достоинства и недостатки, способы управления и применение
Преобразователи частоты, их виды, достоинства и недостатки, способы управления и применение
Преобразователи частоты – это электрические устройства, функция которых заключается в регулировании переменного тока стандартной частоты (50 (в России) или 60 (в некоторых других странах) Гц) за счет регулируемого выходного переменного напряжения.
Используют данные устройства для регулирования скорости асинхронных и синхронных электродвигателей, что открывает для них многие сферы для применения.
Используют данные устройства для регулирования скорости асинхронных и синхронных электродвигателей, что открывает для них многие сферы для применения.
Виды преобразователей частоты
Преобразователи частоты можно разделить на два основных вида:
Анализ состояния входов
Применение заложенной программы.
Запоминание состояний выходов
Электромашинные (индукционные) преобразователи наименее распространены. Их используют в тех случаях, когда применение электронных преобразователей частоты невозможно или трудновыполнимо.
Электронные преобразователи частоты
Электронные преобразователи частоты основаны на силовой транзистроной или тиристорной части и микроконтроллеров управления.
Они подразделяются на две группы:
Они подразделяются на две группы:
- с непосредственной связью;
- с промежуточным звеном постоянного тока.
Непосредственные преобразователи
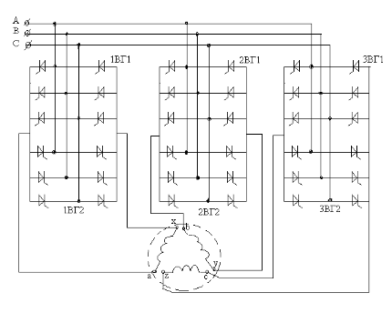
Преобразователи частоты с непосредственной связью преобразуют напряжение с помощью участков синусоид питающей сети. Основа таких устройств - это реверсивные теристорные преобразователи, которые, в зависимости от ситуации, могут быть подключены по встречно-параллельной, нулевой, мостовой или перекрёстной схемам. Количество теристорных комплектов зависит от количества фаз сети. Так, для трёхфазной сети требуется три комплекта теристоров.
Структурно такие преобразователи можно изобразить следующим способом:
Структурно такие преобразователи можно изобразить следующим способом:

рис. 1
Где ЗУ – это задающее устройство; СИФУ – система импульсно-фазового управления; РВГ – реверсивная вентильная группа.
На следующем рисунке представлена принципиальная схема преобразователей частоты с непосредственной связью:
На следующем рисунке представлена принципиальная схема преобразователей частоты с непосредственной связью:

рис. 2
Комплекты теристоров делятся на анодные и катодные группы. По ходу их последовательной работы на выходе формируется необходимая частота.
Достоинства и недостатки
Непосредственные преобразователи частоты обладают своими особенностями, обусловленными строением и принципом работы.
К достоинствам данных устройств относятся:
1. Дешевизна. Относительно простая структура позволяет непосредственным преобразователям частоты быть более доступными.
2. Коэффициент полезного действия. Относительно высокий коэффициент полезного действия, который также зависит от простоты принципа работы, при котором электрическая энергия преобразуется лишь единожды.
3. Рекуперация. Такие устройства позволяют реализовывать и двигательные, и тормозные режимы работы привода.
4. Мощность. Посредством присоединения дополнительных комплектов преобразователей можно достигнуть сколь угодную мощность.
5. Возможность достижения широкого диапазона низких частот при сохранении стабильных вращений двигателя.
6. Удобство. Блочно-модульная конструкция позволяет эксплуатировать систему с меньшими трудо- и времязатратами.
Однако, имеются и недостатки:
1. Диапазон частот на выходе. Наряду с широким выбором низких частот непосредственные преобразователи частоты могут работать лишь на понижение, причём получаемая частота не превышает половины частоты питающей сети.
2. Помехи. Наличие в преобразуемом напряжении субгармоник и постоянных составляющих создаёт помехи и перегревает двигатель.
3. Многоэлементность структуры силовой части эффективна лишь для относительно больших мощностей, что сужает область применения данных устройств.
Исходя из вышеперечисленного, непосредственные преобразователи частоты, в основном, заняли нишу асинхронных и синхронных приводов средней и большой мощностей с малыми скоростями.
К достоинствам данных устройств относятся:
1. Дешевизна. Относительно простая структура позволяет непосредственным преобразователям частоты быть более доступными.
2. Коэффициент полезного действия. Относительно высокий коэффициент полезного действия, который также зависит от простоты принципа работы, при котором электрическая энергия преобразуется лишь единожды.
3. Рекуперация. Такие устройства позволяют реализовывать и двигательные, и тормозные режимы работы привода.
4. Мощность. Посредством присоединения дополнительных комплектов преобразователей можно достигнуть сколь угодную мощность.
5. Возможность достижения широкого диапазона низких частот при сохранении стабильных вращений двигателя.
6. Удобство. Блочно-модульная конструкция позволяет эксплуатировать систему с меньшими трудо- и времязатратами.
Однако, имеются и недостатки:
1. Диапазон частот на выходе. Наряду с широким выбором низких частот непосредственные преобразователи частоты могут работать лишь на понижение, причём получаемая частота не превышает половины частоты питающей сети.
2. Помехи. Наличие в преобразуемом напряжении субгармоник и постоянных составляющих создаёт помехи и перегревает двигатель.
3. Многоэлементность структуры силовой части эффективна лишь для относительно больших мощностей, что сужает область применения данных устройств.
Исходя из вышеперечисленного, непосредственные преобразователи частоты, в основном, заняли нишу асинхронных и синхронных приводов средней и большой мощностей с малыми скоростями.
Преобразователи частоты с промежуточным звеном постоянного тока
Наиболее распространены преобразователи частоты со звеном постоянного тока. Выпрямитель в их составе преобразует переменный ток в постоянный, фильтр сглаживает его, а далее ток преобразуется в переменный через инвертор. Такое техническое решение позволяет получать на выходе частоты любых диапазонов – и пониженные, и повышенные.
Структурно, такое устройство выглядит следующим образом (рис. 3).
Структурно, такое устройство выглядит следующим образом (рис. 3).

рис. 3
Также, как и в случае непосредственных преобразователей частоты, второй основной частью данных преобразователей является блок управления, за которое отвечает микропроцессор. Он не только обрабатывает информацию, передаёт и получает сигналы по всему устройству, но и хранит данные, а также выполняет функцию защиты в аварийных режимах работы.
К достоинствам преобразователей частоты с промежуточным звеном относятся:
1. Получение частот как повышенных относительно частоты питающей сети, так и пониженных за счёт двухступенчатого преобразования.
2. Качество напряжения на выходе. Получаемое напряжение характеризуется так называемым «Чистым синусом».
К достоинствам преобразователей частоты с промежуточным звеном относятся:
1. Получение частот как повышенных относительно частоты питающей сети, так и пониженных за счёт двухступенчатого преобразования.
2. Качество напряжения на выходе. Получаемое напряжение характеризуется так называемым «Чистым синусом».

рис. 4 "Принципиальная схема"
3. Гибкость. Принцип действия позволяет подстраивать систем под различные задачи: от простых до сложных, от низких частот до высоких. Также, данные устройства могут адаптироваться к питающим сетям постоянного тока без применения других приборов.
4. Точность. Применить данные преобразователи частоты можно практически к любым электроприводам, даже к тем, что требуют повышенную точность регулирования.
Недостатки:
1. Масса и габариты. Наличие выпрямителя, фильтра и инвертора сказывается на размерах и массе устройства.
2. Потери мощности. Двухступенчатое преобразование снижает коэффициент полезного действия системы.
4. Точность. Применить данные преобразователи частоты можно практически к любым электроприводам, даже к тем, что требуют повышенную точность регулирования.
Недостатки:
1. Масса и габариты. Наличие выпрямителя, фильтра и инвертора сказывается на размерах и массе устройства.
2. Потери мощности. Двухступенчатое преобразование снижает коэффициент полезного действия системы.
Способы управления преобразователями частоты
Преобразователи частоты также подразделяются по способу их управления. Можно выделить два основных вида:
Преобразователи частоты со скалярным управлением
Скалярное управление является наиболее простым и распространённым, так как для него не требуется множество дополнительных приборов, например датчиков, а также дорогих устройств управления (микропроцессоров). Это подходит для тех случаев, когда нагрузка остаётся постоянной.
Достоинства данного метода следующие:
1. Простота. Это сказывается в трудозатратах на настройку, эксплуатацию и ремонт систем.
2. Дешевизна, которая достигается благодаря отсутствию сложных и дорогих элекментов.
3. Постоянный магнитный поток, который поддерживается в приводе.
Недостатки:
1. Регулирование только моментом или только скоростью, что требует оптимального выбора перед началом работы.
2. Диапазон малых скоростей. Данный метод ограничен в преобразовании более низких частот.
3. Динамическая нагрузка. Скалярный метод пригоден только для постоянных нагрузок.
Исходя из вышеописанных особенностей, скалярный метод применим в преобразователях частоты для вентиляторов, компрессоров, насосов и других подобных агрегатах.
Преобразователи частоты с векторным управлением.
Большими возможностями обладает векторный метод управления. Главным отличием его от скалярного является возможность управления моментом и скоростью вращения независимо друг от друга. Достигается это через регулирование как напряжения, так и фазы питающей сети.
Достоинства данного метода:
1. Высокая точность.
2. Плавность регулирования.
3. Адаптация к переменным нагрузкам с сохранением заданной скорости.
4. Широкий диапазон частот регулирования.
5. Относительно меньшие потери.
Недостатки:
1. Колебания скорости при постоянной нагрузке.
2. Сложность системы, что влечёт за собой трудности при настройке и эксплуатации.
3. Стоимость. Данный метод требует дополнительных элементов управления, а, следовательно, и дополнительных затрат.
Преобразователи частоты со скалярным управлением
Скалярное управление является наиболее простым и распространённым, так как для него не требуется множество дополнительных приборов, например датчиков, а также дорогих устройств управления (микропроцессоров). Это подходит для тех случаев, когда нагрузка остаётся постоянной.
Достоинства данного метода следующие:
1. Простота. Это сказывается в трудозатратах на настройку, эксплуатацию и ремонт систем.
2. Дешевизна, которая достигается благодаря отсутствию сложных и дорогих элекментов.
3. Постоянный магнитный поток, который поддерживается в приводе.
Недостатки:
1. Регулирование только моментом или только скоростью, что требует оптимального выбора перед началом работы.
2. Диапазон малых скоростей. Данный метод ограничен в преобразовании более низких частот.
3. Динамическая нагрузка. Скалярный метод пригоден только для постоянных нагрузок.
Исходя из вышеописанных особенностей, скалярный метод применим в преобразователях частоты для вентиляторов, компрессоров, насосов и других подобных агрегатах.
Преобразователи частоты с векторным управлением.
Большими возможностями обладает векторный метод управления. Главным отличием его от скалярного является возможность управления моментом и скоростью вращения независимо друг от друга. Достигается это через регулирование как напряжения, так и фазы питающей сети.
Достоинства данного метода:
1. Высокая точность.
2. Плавность регулирования.
3. Адаптация к переменным нагрузкам с сохранением заданной скорости.
4. Широкий диапазон частот регулирования.
5. Относительно меньшие потери.
Недостатки:
1. Колебания скорости при постоянной нагрузке.
2. Сложность системы, что влечёт за собой трудности при настройке и эксплуатации.
3. Стоимость. Данный метод требует дополнительных элементов управления, а, следовательно, и дополнительных затрат.
Применение частотных преобразователей
Благодаря своему устройству, преобразователи различных типов позволяют сэкономить на потребляемой электрической энергии, поддерживать оборудование в рабочем состоянии на больший промежуток времени и сократить количество проводимых ремонтов, защищать оборудование в случае аварийных ситуаций. Также преобразователи частоты позволяют настроить необходимую работу автоматизированной системы и управлять работой регулируемого оборудования удалённо или по заданной программе.
Преобразователи частоты нашли применение в таких нишах, как:
Свои технические решения в области преобразователей частоты предлагает множество производителей. Например, это: Dafnoss, IDS-Drive, Schneider Electric.
- крановые двигатели
- вентиляционные системы
- транспортное оборудование (лифты, конвейеры и т.д.)
- электроприводы производственных станков
- и пр.
Свои технические решения в области преобразователей частоты предлагает множество производителей. Например, это: Dafnoss, IDS-Drive, Schneider Electric.



